SW-108
Embedded Industrial 8 Port 10/100 Ethernet Switch

Description
Industrial Ethernet 8 Port unmanaged switch.
- Galvanically Isolated Ports. Industrial temperature range of -40°C to +80°C (-40°F to 176°F) and dual input redundant power supply with wide voltage range means it can be powered from USB or on the 24V factory floor.
- Power terminal is removable with numbered pins for easy wiring. Power consumption is optimised based on the status of the link device. No software required. Ideal for embedded applications.
Key Features
- 8x Port 10/100 Unmanaged Ethernet Switch
- Dual Redundant, Wide Power Input: +5 V to +30 VDC
- Low Power Consumption: 1.5 W Max
- Operating Temperature Rating: -40 °C to +80 °C / -40 °F to +176 °F
- Embeddable
Technical Specifications
Ethernet
| Ethernet Ports | 8 |
| Ethernet Speed | 10/100 Fast Ethernet |
| PoE | No |
Power
| Power Input | 5V - 30V DC input, reverse polarity protected |
| PoE Power Budget | NA |
General
| Operating Temperature Range | -40 °C to +80 °C / -40 °F to +176 °F |
| Storage Temperature | -40 °C to +85 °C / -40 °F to +185 °F |
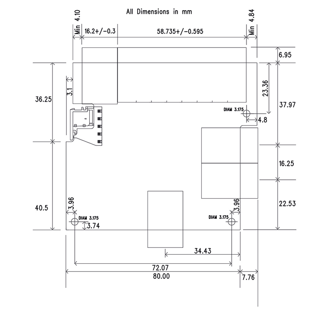
| Form Factor | Embedded |
| Power Consumption | 1.5 Watts Max : 300 mAmps@+5VDC/50mAmps@+30VDC |
| Product Weight | 0.115 kg, 4.06 ounces |
| Product Dimensions | 99x94x23 mm, 3.9x3.7x0.9 inches |
| Packaged Weight | 0.110 kg, 3.88 ounces |
| Packaged Dimensions | 160x135x49 mm, 6.3x5.3x1.9 inches |
| GTIN (barcode) | 837324004151 |
Interface
| Ethernet | Ethernet Interface takes advantage of a companies pre-existing infrastructure, allowing you to connect to your Brainboxes device over the local network, or from across the world. |
Resources
Make an Enquiry
For any information about this product, services, or solutions, please contact us.